
O STM8S103F3P6 é un microcontrolador de 8 bits fabricado por Stmicroelectronics, recoñecido pola súa impresionante funcionalidade e integración perfecta.Este dispositivo compacto está equipado cun estilo de montaxe de dispositivo montado en superficie (SMD), que inclúe un núcleo avanzado e periféricos que se fabrican minuciosamente mediante tecnoloxía de punta.Cunha frecuencia de reloxo de 16 MHz, o STM8S103F3P6 ten unha capacidade de E/S robusta, asegurando un procesamento e manexo eficientes de datos.O seu temporizador independente de vixilancia, equipado cunha fonte de reloxo independente e un sistema de seguridade do reloxo, garante un rendemento óptimo do dispositivo e resiliencia contra posibles interrupcións.
Unha das súas características destacadas é a súa memoria flash, que proporciona almacenamento non volátil para código e datos.Cun rango de tensión de funcionamento que abarca de 2,95 V a 5,5 V, este microcontrolador é moi versátil e adaptable a varias aplicacións.Ademais, ofrece un amplo rango de temperatura de funcionamento de -40 ° C a 85 ° C, tornándoo adecuado para o despregamento en diversas condicións ambientais.
• MSP430G2353
• PIC16LF18444T
• STM8S103F3P3
• STM8S103F3P3TR
• STM8S103F3P6TR


Consumo de enerxía baixa: ten unha variedade de modos de consumo de baixo consumo para escoller, incluído o modo de ralentí, o modo de durmir, o modo de sono profundo e o modo de desactivación, que pode estender efectivamente a vida da batería e aforrar enerxía.
Alto rendemento: adopta a arquitectura básica STM8 de alto rendemento, o que permite que a frecuencia de funcionamento sexa de 16 MHz, o que mellora enormemente a velocidade de execución da instrución e proporciona capacidades informáticas máis eficientes para as nosas aplicacións.
Múltiples interfaces de comunicación: admite unha variedade de interfaces de comunicación, incluíndo SPI (interface periférica en serie), I2C e UART.A través destas interfaces, pode comunicarse e interactuar facilmente con dispositivos externos para conseguir máis funcións e aplicacións.
Abundantes periféricos: o microcontrolador STM8S103F3P6 ten abundantes recursos periféricos, incluíndo 16kb de memoria flash e 1kb de memoria RAM, así como interfaces de uso común como pinos GPIO, temporizadores e UART.A diversidade destes periféricos fai que o dispositivo sexa adecuado para varios escenarios de aplicacións e pode satisfacer as necesidades de diferentes campos e industrias.Tanto se se trata de control industrial, de casa intelixente ou de sistemas incrustados, STM8S103F3P6 pode proporcionar soporte.

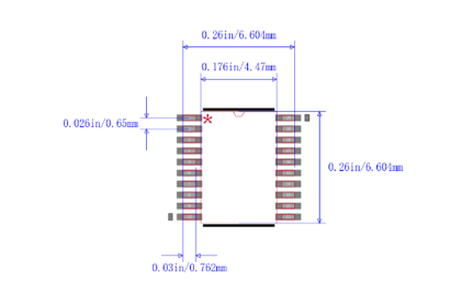
O STM8S103F3P6 está empaquetado nun paquete de contorno pequeno de Thin Shrink (TSSOP) e ten 20 pines.O corpo e o espazo entre o corpo son máis pequenos que os paquetes de soica estándar.Unha característica típica de TSSOP é a formación de pinos ao redor do chip envasado, o que o fai adecuado para montar o cableado en PCB mediante tecnoloxía SMT.Ao usar o paquete TSSOP, os parámetros parasitos (perturbación de tensión de saída causada por grandes cambios na corrente) son menores, polo que é adecuado para aplicacións de alta frecuencia.Este tipo de paquetes é máis cómodo de operar e ten unha maior fiabilidade.
O paquete TSSOP ten as seguintes funcións:
• Espazo de pinos pequenos: o espazo entre os pasadores é xeralmente de 0,5 mm ou 0,65 mm.A través do deseño de barras de cobre de placa de circuíto, pódense colocar máis dispositivos na placa de circuíto coa mesma área e tamaño.
• Amplio alcance da aplicación: pódese aplicar a varios campos de aplicación como microcontroladores, DSPs, chips de memoria e chips de alimentación.
• Contador de pinos elevados: o número de pinos é xeralmente arredor de 20 a 64, o que pode cumprir certos requisitos de integración de chip.
• Tamaño do paquete pequeno: en comparación cos paquetes comúns de pequeno contorno (SO), o tamaño do paquete é menor, o grosor é máis fino e o volume é máis pequeno, o que o fai adecuado para o envase de circuítos integrados de alta densidade.
• Alto rendemento: adopta a tecnoloxía de montaxe superficial, ten unha boa condutividade e resistencia á corrosión e pode cumprir requisitos especiais como alta velocidade, alta frecuencia, miniaturización, etc.
A non ser que se especifique o contrario, todas as tensións refírense a VSS.
Os valores mínimos e máximos están garantidos nas condicións máis adversas, abarcando a temperatura ambiente, a tensión de subministración e as frecuencias.Estas garantías establécense a través de probas de produción rigorosas realizadas no 100% dos dispositivos, realizados a unha temperatura ambiente de TA = 25 ° C e TA = Tamax (como se define o rango de temperatura escollido).
Os valores baseados en resultados de caracterización, simulacións de deseño e/ou características tecnolóxicas están descritas nas notas a pé de páxina da táboa e non se someteron a probas de produción.En canto á caracterización, os valores mínimos e máximos refírense ás avaliacións da mostra e significar o valor medio cun rango de plus ou menos tres veces a desviación estándar (media ± 3σ).
A non ser que se indique explicitamente o contrario, os datos estándar establécense con TA = 25 ° C, VDD = 5 V. Estes valores fornécense só como referencias de deseño e non se someteron a probas.
A precisión típica dos valores de ADC establécese mediante a caracterización dun conxunto de mostras dun lote de difusión estándar a través do rango de temperatura completo.Neste contexto, o 95% dos dispositivos presentan un erro dentro do valor especificado (media ± 2σ).
A non ser que se indique específicamente, todos os gráficos estándar están destinados só a referencias de deseño e non foron sometidos a probas.
Superar as clasificacións máximas absolutas especificadas pode producir danos permanentes no dispositivo.Estas clasificacións indican exclusivamente os límites da tensión que o dispositivo pode soportar e non se implica que o dispositivo funcione correctamente nestas condicións.A exposición a condicións ou preto das clasificacións máximas pode afectar negativamente a fiabilidade do dispositivo.
O perfil de misión do dispositivo, que describe as súas condicións de aplicación, adhírese ao estándar de cualificación JEDEC JESD47, con perfís de misión estendidos dispoñibles a solicitude.
Para lograr a estabilidade para o regulador primario, un condensador externo etiquetado CEXT debe estar conectado ao pin VCAP.É esencial asegurarse de que a inductancia da serie permaneza por baixo dos 15 NH.
O consumo actual mídese como se ilustra na seguinte imaxe.

O consumo actual de subministración en modo de execución
O MCU sitúase nas seguintes condicións:
• Todos os periféricos están deshabilitados (o reloxo detido por rexistros de rebumbio periférico), excepto se se menciona explicitamente.
• Todos os pasadores de E/S en modo de entrada cun valor estático en VDD ou VSS (sen carga)
Suxeito a condicións de funcionamento xerais para VDD e TA.

STM8S103F3P6 ten 20 pines, os seus nomes e funcións de pinos son os seguintes:
PIN1 (PD4/ BEP/ TIM2_ CH1/ UART1 _CK): Porto D4
PIN2 (PD5/ AIN5/ UART1 _TX): Porto D5
PIN3 (PD6/ AIN6/ UART1 _RX): Porto D6
PIN4 (NRST): Restablecer
PIN5 (PA1/OSCIN): Porto A1
PIN6 (PA2/OSCOUT): Porto A2
PIN7 (VSS): terra dixital
PIN8 (VCAP): condensador regulador de 1,8 V
PIN9 (VDD): fonte de alimentación dixital
PIN10 (PA3/ TIM2_ CH3 [SPI_ NSS]): Porto A3
PIN11 (PB5/ I2C_ SDA [TIM1_ BKIN]): Porto B5
PIN12 (PB4/ I2C_ SCL): Porto B4
PIN13 (PC3/ TIM1_CH3 [TLI] [TIM1_ CH1N]): Porto C3
PIN14 (PC4/ CLK_CCO/ TIM1_ CH4/ AIN2/ [TIM1_ CH2N]): Porto C4
PIN15 (PC5/ SPI_SCK [TIM2_ CH1]): Porto C5
PIN16 (PC6/ SPI_MOSI [TIM1_ CH1]): Porto C6
PIN17 (PC7/ SPI_MISO [TIM1_ CH2]): Porto C7
PIN18 (PD1/ Swim): Porto D1
PIN19 (PD2/ AIN3/ [TIM2_ CH3]): Porto D2
PIN20 (PD3/ AIN4/ TIM2_ CH2/ ADC_ ETR): Porto D3
Como se mostra na figura anterior, o chip STM8S103F3P6 ten ata 16 pasadores de E/S, que se poden usar para diversos fins, como GPIO, interfaces periféricas, ADC, etc. Os seus pinos de E/S son bidireccionais e poden serusado como pinos de entrada para ler sinais externos ou como pinos de saída para enviar sinais a dispositivos externos.Ademais, a cada pin de E/S pode asignarse de forma independente un vector de interrupción para facilitar o procesamento preciso de interrupcións cando se producen.
• Sistemas de automatización: Este microcontrolador pode usarse en sistemas de automatización como cortinas eléctricas, sistemas de control de acceso, control de temperatura e control de iluminación.
• Aplicación IoT (Internet of Things): se necesitamos desenvolver dispositivos IoT, pódese usar como controlador para os nodos IoT para conectar e controlar varios sensores e módulos de comunicación.
• Dispositivos electrónicos persoais: usados en cámaras dixitais, reprodutores MP3 e MP4, consolas electrónicas de xogos, etc.
• Equipo electrónico: usado para desenvolver varios equipos electrónicos
, como xoguetes electrónicos, controis remotos, mini calculadoras, etc.
• Campo industrial: usado en PLC, controladores industriais, automatización de procesos e equipos de control automático de envíos, etc.
• Adquisición de datos e interface de sensores: usado para controlar as condicións ambientais e recoller datos ou para conectar varios sensores como sensores de luz, sensores de temperatura e sensores de humidade.
• Sistema de control incrustado: usado para deseñar varios sistemas de control incrustados, como aparellos domésticos, equipos industriais, ferramentas eléctricas, etc. O seu poder de procesamento de 8 bits é suficiente para moitas tarefas de control sinxelas.
O STM8S103F3P6 é un chip de microcontrolador desenvolvido por Stmicroelectronics.Pertence á familia STM8 de microcontroladores de 8 bits e é moi utilizada en varios sistemas incrustados e aplicacións IoT.
A unidade de microcontroladores STM8S103F3P6 ten ROM de 640 bits, ADC de 10 bits de 5 bits ADC, 1kb RAM e cun tamaño de memoria do programa de 8kb.
Podemos substituír o STM8S103F3P6 por MSP430G2353, PIC16LF18444T, STM8S103F3P3, STM8S103F3P3TR ou STM8S103F3P6TR.
Si, o STM8S103F3P6 está deseñado con características de baixa potencia e pódese usar en aplicacións de batería ou de baixa potencia onde a eficiencia enerxética é esencial.
Algunhas características clave do STM8S103F3P6 inclúen pinos GPIO (entrada/saída de propósito xeral), UART (comunicación universal Asíncrono para o receptor/transmisor), comunicación I2C (Circuíto Interintegrado), comunicación SPI (interface periférica en serie), temporizadores e moito máis.
SOBRE NóS
Satisfacción do cliente cada vez.Confianza mutua e intereses comúns.
Especificacións técnicas da célula de moeda de litio CR2354
2024-08-02
Guía integral para o microcontrolador Atmega328-Pu
2024-08-02
Correo electrónico: Info@ariat-tech.comHK TEL: +852 30501966AGREGAR: Rm 2703 27F Centro Ho Comm Comm 2-16,
Fa Yuen St MongKok Kowloon, Hong Kong.